Автор: Ishchenko A.A., Golinka S.N.
Категории:
engineering science
Range of technological solutions concerning equipment repair, which is being operated in open-cut mining and connected with fine crushing, grinding and screening with application of composite is developed.
Keywords: crusher, bearing, recovery, polymer materials, effectiveness
UDK 622.27

Ischenko A.A.
D.Sc. in engineering, professor
head of Mechanical equipment of iron and steel works department,
Priazovskyi State Technical University, Mariupol, Ukraine
Golinka Sergey
Post-graduate of Mechanical equipment of iron and steel works department,
Priazovskyi State Technical University,
Mariupol, Ukraine
In recent years metal-polymer is used in the process of repair of different types of equipment more often. Metal-polymer is plastic material with metallic, powdered or fiber filler. Thermoplastic polymers, such as polythene, polypropylene, polyamides, polytetrafluoroethylene (fluorine plastic), polyvinylchloride and others are used as binding material, also thermosetting materials - phenol-formaldehyde, polyester, ethoxyline, organosilicone, etc are used. Powders, fibres, bands, received from any metals or alloys, metallised powders and fibers are the fillers. Except filler and polymer binder, non-metallic mineral and organic components, stabilizers, pigments and colourants, plasticizers, surface-active materials may be included into melallopolymeric composition. Type and quantity of these additions is determined by chemical nature of polymer binder.
The usage of these materials was limited by recovery of assemblies and machines, working in gentle operational conditions without impact and vibrational loads. Other conditions follow equipment operation, being used in open-cut mining and connected with fine crushing, grinding and screening. As a rule equipment for granite grinding works in extreme conditions of forcing the main assemblies of vibrational and impact loads. As a consequence of such impact - premature failure, most often bearing assemblies of these machines. Bearing destruction, occurring first of all because of dynamic character of their loading, may be followed by roller failure, where these bearings are placed, because of wear and deformation of centering plug under bearings.
And if bearing replacement is rather expensive procedure and may be fulfilled within short period of time, than the replacement or recovery of the shaft requires full disassembling of crushing equipment. Herein the period of production or repair of the shaft with the length more than 3000 mm puts out of order all this manufacturing area for a long time, say nothing of high cost for both details and erecting work.
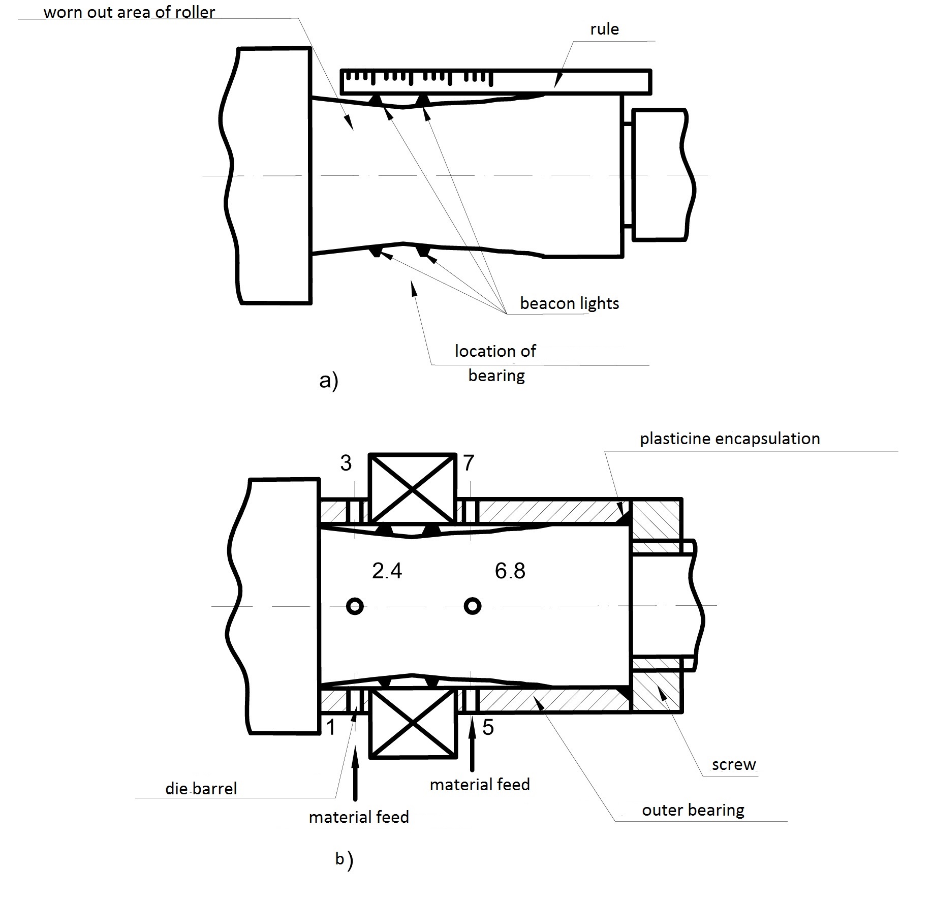
The problem of minimization of timing and means for such repair may be solved by usage of metal polymers. Priazovskyi State Technical University (PSTU) has gained an experience of solving such problems on some open-cuts of Donetsk region. In particular, on Telmanovskiy open-cut the mounting face under main bearing on the main shaft Ø460 mm of stone-breaker of SMD-118 type was renewed (figure 1). Technology of accomplishment of such repair is described below. Material, multimetal, which was used while this operation, has passed preliminary tests for durability, which confirmed the possibility of its usage for such type of works [1].

Figure 1 The scheme of recovery of mounting face of crusher shaft
On the worn mounting face with the help of electric welding, beacon lights with diameter 10-15mm and height 2-2.5 mm were deposited (fig. 1a). With the help of machinist ruler, located on the unworn shaft area, filing of beacon lights to coupling size and test bearing fitting on the mounting face together with space sleeves was fulfilled (fig. 1b). In space sleeves there drilled diametrically located holes for injection of polymer material and for its output and also two control holes in perpendicular plane for control of filling of internal voids by metal polymer. Then deoiling of spindle, inside faces of sleeves and bearings.
Inside faces of space sleeves and inner ring of a bearing were treated by release composition. After that the assembly was erected and worked up by a screw. Encapsulating of front mating surfaces of space sleeves and bearing inner race was fulfilled with the help of scotch tape and plasticine. With the help of gun, multi metal-steel FL was discharge through lower holes 1 and 5. After multi metal appearance in the holes 2, 4 and 6, 8, they were closed by wooden plugs. After multi metal appearance in the holes 3,7, they were also closed by wooden plugs together with holes 1 and 5. In 24 hours after material injection, some tests for crusher under load were fulfilled.
Similar case is critical when the bearing was destroyed and mounting face under the bearing was not worked out. However there appears necessity to renew mounting face with interference along the inner ring of a bearing, when the bearing is intact, but the inner ring started turning on the shaft, e.i. the situation is not critical – bearing has not destroyed. In this case another material is successfully used «Y – binding material» for metals, not containing fillers, but modified by special additions, giving to this material extremely good adhesive properties (table 1).
Table 1 Technical characteristics of material «Y – binding material»
Density, g/sm3 |
1.1
|
|
Color
|
milk
|
|
Tensile strength - shear, MPa
|
30
|
|
Chemical durability
|
to oils, benzine, antifreezes
|
|
Partial chemical durability
|
to alcohols, benzol, water, salt brine
|
|
Working time (20 °С), hours.
|
2
|
|
Solidification time (20 °С, 70 % strength), hours
|
24
|
|
Full solidification (20 °С), days
|
7
|
|
Equivalence ratio by volume
|
1:1
|
Before application of this material during important repair work in the lab of mechanical equipment of iron and steel works department, there were tests concerning study of mechanical properties of this material. Experimental research was executed on the tensile-testing machine RM-20. For tests samples of steel St45 with dimensions shown in the figure 2 were produced.

Figure 2 Sleeve with mounting face H7 in the system of hole and shaft with different variants of mounting in the shaft system
After deoiling of joint surfaces of sleeve and shaft, there applied a thin layer of «Y – binding material», which is a preliminary mix of two components. The next step means assemblage of pieces and pressing in case of heavy-shrink fitting. Then bonding was soaked within 3 days at the temperature 28°С and was taken to pieces on the machine RM-20.
Testing results and also the results of conversion of pressing force into torque rating, determined from the formula Мtor = РpressD/2, are shown in the table 2
Table 2 Results of tests of samples by means of axial force on the tensile-testing machine R-20
No of sample |
actual diameter of the shaft, mm
|
Sample pressing-in force, N
|
Sample pressing-off force , N Рpress
|
Effective disconnecting torque, N.m
|
Accuracy degree of shaft fitting
|
limit shaft deviation, mm
|
Accuracy degree across the aperture, limit deviations, mm
|
|
1
|
36.04
|
8500
|
132000
|
2376
|
36r6
|
+0.034 +0.050
|
36Н7+0.025
|
|
2
|
36.04
|
7500
|
146000
|
2628
|
|
3
|
36.04
|
4500
|
157000
|
2826
|
|
4
|
36.01
|
-
|
144000
|
2592
|
36k6
|
+0.018 +0.002
|
|
5
|
36.00
|
-
|
146000
|
2628
|
|
6
|
35.99
|
-
|
118000
|
2124
|
36h6
|
0 -0.013
|
|
7
|
35.96
|
-
|
126000
|
2268
|
|
8
|
35.92
|
-
|
130000
|
2340
|
|
9
|
35.09
|
-
|
130000
|
2340
|
As one may see from the given tables, application of «Y – binding material» allows to obtain bonding similar to Н7/u7 fitting almost in any variant of character of mating parts: gapped, across transition fit and heavy-shrink fitting. That is why application of transition fit is more preferable, they provide durable connection, necessary centering of pieces and, at the same time, without requiring of application of special tools for pressing in. The calculated values of disconnecting torque within the limits of 2 300-2 600 Nm allow to draw conclusion concerning application of adhesive bond “shaft-sleeve” instead of feather joint, because the data shown in the table 2 do not exceed effective allowable moment of feather joint with shaft diameter 36 mm and spline length 26 mm in 5 times from shear condition and in 10 times from crumbling condition.
The results obtained confirm the given above technical characteristics of «Y – binding material», as experimentally obtained shear strength makes at average 29 MPa for loosely connections.
In such a way, application of «Y – binding material» allows to remove undesirable phenomena, which accompany appliance of pressure coupling, such as stress factors in pieces and their fatigue failure, excludes application of complex machine-tool attachment for heating or cooling of pieces and also excludes corrosion in fixed joint and probability of further its destruction.
Rather high rates of adhesion strength of this material allowed to use it during recovery of bearing fittings on the shaft by means of pasting-in. The technology of this process lies in the following. In case when heavy-shrink fitting was broken down, but there have not appeared any holes between inner bearing ring and the shaft, the work came down to deoiling of shaft area and bearing race, application of the material on the shaft and race by means of sound rubbing and bearing thrust on the place of installation.
In case when little hole (0.1-0.5 mm) between race and shaft was present, then installation and pasting on the shaft by superglue of beacon lights of appropriate dimensions, check of free bearing thrust on these lights preceded application of the material, only after that came deoiling, material application, as it was described above, and installation of bearing on the permanent operating place. In 24 hours assembling with further run up was fulfilled. For acceleration of material polymerization, seam heating with the help of drying fan to the temperature 40-50°С was used. In this case material consumption and economic efficiency of such repair does not admit of doubt. Some complete renovations of crushers and vibration screens, which have confirmed effectiveness of such method of solution, were fulfilled under the described technology.
Another direction of metal-polymers usage is connected with the necessity of refractory lining for the cone crusher and usage of polymer material in order to fill the hole between lining and crusher shell. For these aims Mechanical equipment of iron and steel works department developed and applies home-produced material, price of which is reasonable and allows to fill in great volumes.
With the help of polymer material, reconstruction of screen decks, made of stainless steel and used for screenings of various materials, is possible. In case of abnormal wear of screen mesh, there developed technology of tipping on metal-base with the help of polymer of rubber coating from previously used conveyer belt with further cutting of desired holes, as it is shown in the figure 3.

Figure 3 Reconstruction of screen deck surface
Exploitation of screens, reconstructed in such way or newly produced from black sheet with such rubber-fabric layer on the sizing screens of blast-furnace department during undersized coke showed economic efficiency of such repair, which may be fulfilled on-place of exploitation and does not require special knowledge and tools.
Conclusions
Remanufacturing techniques for equipment of crushing and grading complex with the help of composite, which allow to minimize material and time expenditures for maintenance, and hereby to extend significantly the life of pieces, meeting vibrational and dynamic loads, were developed and multiple tested.
Reference
1.Ishchenko A.A., Grishko V.P., Efimov I.K. (2005). Determination of mechanical characteristics of repair polymer materials. Zakhist metalurgіynikh mashin vіd polomok , PNTU, No8, p. 93-98.