Автор: Пинчук С.И., Рааб Г.И., Тишкевич Д.Г., Балакин В.Ф., Лысак В.В.
Категории:
материаловедение
Исследовано влияние интенсивной пластической деформации методом равноканального углового прессования на трансформацию структуры и изменение свойств стали 45. После четырёх циклов равноканального углового прессования при температуре 400°С происходит значительное измельчение зеренной структуры и повышение прочностных характеристик стали. По-лучена количественная оценка изменения параметров кристаллического строения феррита и цементита. Изучено влияние формируемой при ИПД структуры на коррозионные свойства стали.
Ключевые слова: интенсивная пластическая деформация, равноканальное угловое прессование, структура, субзерно, свойства, скорость коррозии
Введение
При добыче и транспортировке нефти и газа трубы подвергаются совместному воздействию значительных механических нагрузок и агрессивных сред. Это зачастую приводит к механическим и коррозионным повреждениям труб и, как следствие, их преждевременному выходу из строя. Применение углеродистых сталей и традиционных технологий прокатки не обеспечивает достаточную надежность эксплуатации нефтегазовых труб даже при использовании мер их защиты от коррозии. Необходимое повышение эксплуатационных свойств нефтегазовых труб требует формирования более совершенной структуры, прочностных и коррозионных свойств за счет применения не только традиционных, но и новейших технологий прокатки.
Физические, механические, и коррозионные свойства сталей во многом зависят от степени измельчённости и однородности их структуры. Для формирования мелкозернистой структуры стали эффективным может быть применение интенсивной пластической деформации (ИПД) [1-5]. Применение ИПД обеспечивает перестройку дислокационной структуры металлов и позволяет получать металлические изделия с беспористой однородной нано - и субмикрокристаллической структурой материала, в которой преобладают большеугловые границы зерен, находящихся в неравновесном состоянии [6, 7]. Такая трансформация структуры обеспечивает существенное увеличение прочностных свойств металлов при удовлетворительной их пластичности.
Вместе с увеличением прочностных характеристик металлов возможно также повышение их коррозионных свойств [8, 9]. Однако имеющиеся сведения о влиянии ИПД на коррозионные свойства металлов носят неоднозначный характер. Так в работах [10, 11] не отмечали изменений коррозионных свойств никеля и меди при ИПД. В работе [12] наблюдали снижение коррозионной стойкости. Согласно данным [13], ИПД способствует повышению устойчивости металла к питтинговой коррозии, что проявляется в повышении значений питтингово потенциала и плотности коррозионного тока в электролитически проводящей среде. Механизм питтингообразования может быть связан с формированием локальных микрогальванических элементов между металлической матрицей (анод) и Si-содержащими примесями ( катод) на поверхности металла после ИПД. С увеличением числа циклов ИПД уменьшается размер частиц примесей и происходит более равномерное их распределение в металле, в результате чего площадь катода уменьшается, а устойчивость к питтинговой коррозии увеличивается. Повышенная устойчивость к питтинговой коррозии нано- и субмикрокристаллических материалов может быть объяснена также быстрым образованием относительно плотной пассивирующей пленки на поверхности кристаллических дефектов [14,15] . Пленка с большим количеством границ зерен, значительной долей неравновесных границ зерен и остаточными напряжениями может быть относительно стабильной в средах, содержащих Cl [16]. Вместе с тем более высокая плотность границ зерен в таких материалах может ускорять коррозию за счет обеспечения высокой плотности активных центров анодного растворения при воздействии агрессивной среды.
В данной статье приведены данные о влиянии ИПД на структуру, прочностные и коррозионные свойства углеродистой стали, применяемой для производства труб нефтегазового назначения.
Материал и методы исследования
Исследованы свойства стали промышленной марки 45 с феррито-перлитной структурой до и после ИПД методом равноканального углового прессования (РКУП). РКУП стальных образцов осуществляли при температуре 400°С продавливанием заготовки через пресс-форму с каналами, пересекающимися под углом 120°. ИПД предусматривало 4 цикла прессования с поворотом стального образца на 90 град. вокруг продольной оси после каждого цикла.
Микроструктурные исследования осуществляли с помощью световой микроскопии и пакета для анализа изображений структуры «Structure 2001». Исследования тонкой структуры стали проводили на электронном микроскопе JEM-2000SX-II с ускоряющим напряжением 200 кВ. Рентгеноструктурный анализ выполняли на дифрактомере Rigaku Ultima IV с использованием излучения CuKα.
Оценку коррозионных свойств стальных образцов до и после BGL проводили гравиметрическим методом по данным испытания в климатической камере Г-4 при температуре 40°С и влажности воздуха до 98%, а также потенциостатическим методом с использованием потенциостата ПИ-50-1. Для анализа состояния поверхности образцов после коррозионных испытаний использовали оптический микроскоп Neophot 2 и растровый электронный микроскоп РЭМ-106-И.
Результаты исследований
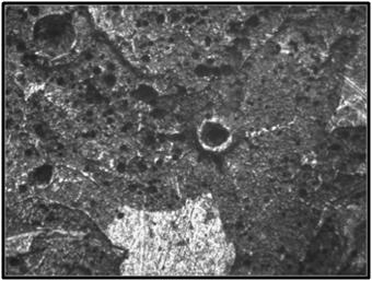
Как установлено исследованиями в исходном состоянии образцы стали 45 имеют феррито-перлитную структуру со средним размером ферритных зерен 40…60 мкм (рис.1, а). Плотность дислокаций в избыточном феррите и в ферритной составляющей перлита не превышает 5×108 см-2. Перлитная составляющая характеризуется пластинчатым строением с расстоянием между пластинами около 0,1 ... 0,3 мкм
Исследование тонкой структуры стали показало, что в перлите присутствуют многочисленные разрывы в пластинах, которые выступают дефектами структуры цементитного каркаса колоний (рис. 1, б). Эти разрывы связаны с тем, что в процессе развития цементитной составляющей перлит претерпевает ряд морфологических преобразований от пластин к полосам или стержням [17]. На дифракционных картинах как ферритные, так и цементитные рефлексы имеют центросимметричную форму без азимутального размытия, что свидетельствует об отсутствии значительных скоплений дислокаций и дислокационных стенок (рис. 1, в). Расшифровка электронограмм (рис. 1, г) показывает, что между решетками феррита и цементита имеет место ориентационное и размерное соответствие Исайчева [18], которое отличается углом 3,5° от ориентационного соответствия (ОС) Багаряцкого [19]. Наблюдается также ориентационное соответствие Питча [20].
|

|

|
|
а
|
б
|
|

|

|
|
в
|
г
|
|
Рис.1. Микроструктура и кристаллография образцов стали 45 в исходном состоянии: а – феррито-перлитная структура; б – тонкая структура перлита; в – дифракционная картина от выбраной площадки Æ 3 мкм; г – схема расшифровки дифракционной картины с ориентацией (111)α || (011)θ в соответствии с ориентационным соответствием Питча между решетками феррита и цементита
|
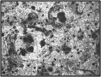
В структуре стали после равноканального углового прессования наблюдали выраженную ячеистую субструктуру со средним размером фрагментов 500…800 нм (рис. 2, а). Поскольку температура при ИПД составляла 400°С, то во время последеформационного периода произошла полигонизация. Внутренние объёмы полигонов (субзерен) в значительной степени освободились от дислокаций. После ИПД пластины феррита и цементита в перлитной составляющей выгнуты и насыщенны дефектами (рис. 2, б), а численные полигональные стенки состоят из равномерных сеток избыточных дислокаций (рис. 2, в), которые остаются нескомпенсированными после аннигиляции дислокаций противоположных знаков. Плотность дислокаций ρ приблизительно равна 9·1010 см-2.
На дифракционных картинах наблюдаются тяжи между рефлексами в направлениях [001]ц, что указывает на существование дефектов упаковки деформационного происхождения в пластинах θ-фазы (рис. 2, г).
Рис. 2. Структура и кристаллография образца стали 45 после РКУП: а – микроструктура, ×1000; б – феррито-цементитная смесь, ×74 000; в – тонкая структура феррита, ×50 000; г – дифракционная картина с вытянутыми рефлексами в направлении [001]ц
Упругая деформация отдельных блоков и кристаллитов в процессе РКУП способствовала уменьшению микродеформаций решеток феррита и цементита (табл. 1). При этом параметр решетки феррита не изменился.
Таблица 1 – Параметры решеток феррита и цементита до и после РКУП
Структурное состояние |
Параметры
|
|
а, нм
|
b, нм
|
c, нм
|
Объём кристаллической решетки V, нм3
|
Микродеформация Δa/a×10-3
|
|
Феррит
|
|
Исходное
|
0,2868
|
-
|
-
|
0,02359
|
3,6
|
|
После деформации
|
0,2868
|
-
|
-
|
0,02359
|
3,0
|
|
Цементит
|
|
Исходное
|
0,4900
|
0,6670
|
0,4454
|
0,1450
|
2,3
|
|
После деформации
|
0,5040
|
0,6130
|
0,4770
|
0,1470
|
2,1
|
Трансформация структуры стали в результате дислокационной перестройки при равноканальном угловом прессовании приводит к росту ее прочностных свойств. Временное сопротивление увеличивается с 600 до 875 МПа, а предел текучести – с 330 до 605 Мпа, твердость – с 171 до 250 HV.
Исследование коррозионных свойств образцов стали до и после их РКУП показало, что в условиях влажной атмосферы коррозионные очаги образуются в пределах капли жидкости, которая конденсируется на поверхности металла. Они развиваются по мере появления окислов железа на периферии каплевидных участков электролита. С течением времени очаги увеличиваются в размерах; некоторые из них соприкасаются друг с другом, образуя более сложные и бóльшие по размеру комплексы. Наиболее активно процесс коррозионного разрушения происходит на границах ферритных зерен. В первую очередь коррозионному разрушению подвергаются перлитные колонии. Об этом свидетельствуют значительные скопления оксидного материала в тех местах, где располагаются перлитные колонии. Происходит это потому, что эти колонии обладают избыточной энергией из-за большого количества межфазных границ феррит – цементит в единице объема эвтектоидных колоний.
На поверхности образцов стали 45 как до, так и после их равноканального углового прессования, наблюдаются обширные участки коррозионных поражений (рис. 3).
|

|

|
|
а
|
б
|
|
Рис. 3. Поверхность образцов стали 45 в исходном состоянии (а) и деформированных РКУП (б) после удаления продуктов коррозии
|
Как видно на рис. 4 на поверхности образцов присутствует значительное количество коррозионных пятен и локальных коррозионных поражений – язв и питтингов.
|

|

|
|
а
|
б
|
|

|

|
|
в
|
г
|
|
Рис. 4. Картины различных участков поверхности образцов стали 45 после ускоренных атмосферных испытаний в исходном состоянии (а, б) и деформированных РКУП (в,г)
|
Согласно приведенным на рис. 5 значениям отрицательного массового показателя средняя скорость коррозии образцов стали до деформации и после нее практически одинаковая (рис. 5, а). Однако, согласно динамике изменения положительного показателя скорости коррозии (рис. 5, б), который характеризует прирост массы образцов в результате коррозионных процессов в течение испытаний, видно, что после РКУП скоростью коррозии образцов в течение первых 40-50 часов испытаний меньше по сравнению с исходными образцами.
|

|

|
|
а
|
б
|
|
Рис. 5. Средние значения отрицательного (а) и положительного (б) показателей скорости коррозии образцов стали в исходном ( ) и деформированном ( ) состояниях
|
Согласно результатам электрохимических испытаний, скорость растворения образцов стали 45 после деформации в широком диапазоне потенциалов меньше по сравнению со скоростью растворения образцов в исходном состоянии (рис. 6). Стандартный электродный потенциал деформированных образцов стали 45 смещается в положительном направлении, что свидетельствует о большей устойчивости к электрохимической коррозии.
Рис. 6. Анодные поляризационные кривые, характеризующие коррозию образцов стали 45 до (а) и после (б) равноканального углового прессования
Соответствующие коррозионные повреждения наблюдали на поверхности образцов. При этом количество и размеры этих повреждений свидетельствуют о более активном растворении поверхности образцов стали 45 в исходном состоянии (рис. 7).
|

|

|
|
а
|
б
|
|
Рис. 7. Поверхность стальных образцов в исходном (а) и деформированном (б) состояниях после электрохимических испытаний
|
Измерение глубины проникновения коррозионных повреждений при 3-х часовых испытаниях в атмосферных условиях показало, что глубина проникновения коррозионных повреждений внутрь деформированных образцов меньше, чем внутрь образцов в исходном состоянии. Это вполне согласуется с выше приведенными данными коррозионных исследований гравиметрическим и электрохимическим методами.
Выводы
- После равноканального углового прессования стали 45 происходит трансформация и перестройка её дислокационной структуры, образование выраженной ячеистой субструктуры со средним размером ячеек субмикрокристаллического диапазона.
- Повышение плотности дислокаций и образование развитой субзёренной структуры при равноканальном угловом прессовании обуславливает повышение прочностных характеристик стали 45. Увеличиваются временное сопротивление с 600 до 875 МПа, предел текучести с 330 до 605 МПа, твёрдость с 171 до 250 HV.
- Исследование коррозионных свойств образцов стали после РКУП показало, что в условиях влажной атмосферы средняя скорость коррозии остается на уровне исходных образцов. При этом в течение первых 40-50 часов испытаний скорость коррозии образцов после ИПД меньше по сравнению с исходными образцами.
- Согласно результатам электрохимических испытаний, скорость растворения образцов стали 45 после деформации в широком диапазоне потенциалов меньше по сравнению со скоростью растворения образцов в исходном состоянии. Стандартный электродный потенциал деформированных образцов стали 45 смещается в положительном направлении, что свидетельствует о большей устойчивости к электрохимической коррозии.
Литература
1. Валиев Р.З. Получение уникальных механических свойств углеродистой стали 45 за счет интенсивной пластической деформации / Р.З. Валиев, Н.Г. Зарипов, М.В. Караваева, С.К. Нуриева // Научные ведомости Белгородского государственного университета. Серия: Математика. Физика, 2011. – Том 23. – № 11. – С. 129-133.
2. Астафурова Е.Г. Особенности микроструктуры и механическое поведение стали 06МБФ после равноканального углового прессования / Е.Г. Астафурова, Г.Г. Захарова, Е.В. Найденкин, Г.И. Рааб, П.Д. Одесский, С.В. Добаткин // Письма о материалах, 2011. – Том 1. – С. 198-202.
3. Астафурова Е.Г. Влияние равноканального углового прессования на структуру и механические свойства низкоуглеродистой стали 10Г2ФТ / Е.Г. Астафурова, Г.Г. Захарова, Е.В. Найденкин, С.В. Добаткин, Г.И. Рааб // Физика металлов и металловедение. – 2010. – Т. 110. – № 3. – С. 275-284.
4. Шагалина С.В. Получение субмикрокристаллической структуры в сталях ст.10 и 08Р при равноканальном угловом прессовании / С.В. Шагалина, Е.Г. Королева, Г.И. Рааб, М.В. Бобылев, С.В. Добаткин // Металлы. – 2008. – № 3. – С. 44-51.
5. Яковлева С.П. Комплексное исследование механических свойств низколегированной стали с ультрамелкозернистой (200-600 нм) структурой / С.П. Яковлева, С.Н. Махарова, М.З. Борисова // Заводская лаборатория. Диагностика материалов. – 2008. – Т.74. – № 1. – С.50-53.
6. Валиев Р. З. Наноструктурные материалы, полученные интенсивной пластической деформацией/ Р. З. Валиев, И. В. Александров – М.: Логос, 2000. – 272 с.
7. Чувильдеев В.Н. Неравновесные границы зерен в металлах. Теория и приложения / В.Н. Чувильдеев. – М.: Физматлит, 2004. – 304 с.
8. Чувильдеев В.Н. Эффект одновременного повышения прочности и коррозионной стойкости микрокристаллических титановых сплавов / В.Н. Чувильдеев, В.И. Копылов, А.М. Бахметьев, Н.Г. Сандлер, А.В. Нохрин и др. // Доклады Академии наук. – 2012. – Т. 442. – № 3. – С. 329.
9. Хайдаров Р.Р. Коррозионная стойкость алюминиевых сплавов марок 1421, 5083 с ультрамелкозернистой структурой, подвергнутых электрохимической обработке, в сравнении с их крупнозернистыми аналогами / Р.Р. Хайдаров // Башкирский химический журнал. – 2010. – Т. 17. – № 4. – С. 140-142.
10. Rofagha R. The corrosion behavior of nanocrystalline nickel / R. Rofagha, R. Langer, A. M. El-Sherik, U. Erb, G. Palumbo, K. T. Aust // Scripta Metallurgica. – 1991. – Vol. 25. – C. 2867-2872.
11. Vinogradov A. On the corrosion behavior of ultra-fine grain copper / A. Vinogradov, T. Mimaki, S. Hashimoto, R. Valiev // Scripta Materialia. – 1999. – Vol. 41. – C. 319-326.
12. Rofaga R. The effects of grain size and phosphorus on the corrosion of nanocrystalline Ni-P alloys / R. Rofaga, U. Erb, D. Ostander, G. Palumbo, K. T. Aust // Nanostructured Materials – 1993. – Vol. 2. – C. 1-10.
13. Chung M. Effect of the number of ECAP pass time on the electrochemical properties of 1050 Al alloys / M. Chung, Y. Choi, J. Kim, Y. Kim, J. Lee // Materials Science and Engineering A. – 2004. – V. 366. – P. 282-291.
14. Balyanov A. Corrosion resistance of ultra fine-grained Ti / A. Balyanov, J. Kutnyakova, N.A. Amirkhanova, V.V. Stolyarov, R.Z. Valiev, X.Z. Liao, Y.H. Zhao, Y.B. Jiang, H.F. Xu, T.C. Lowe, Y.T. Zhu // Scripta Materialia. – 2004. – V. 51. – P. 225-229.
15. Song D. Corrosion behavior of ultra-fine grained industrial pure Al fabricated by ECAP / D. Song, A. Ma, J. Jiang, P. Lin, D. Yang // Transactions of Nonferrous Metals Society of China. – 2009. – V. 19. – P. 1065-1070.
16. Qin L. Effect of grain size on corrosion behavior of electrodeposited bulk nanocrystalline Ni / L. Qin, J. Lian, Q. Jiang // Transactions of Nonferrous Metals Society of China. – 2010. – V. 20. – P. 82-89.
17. Cyхомлин Г.Д. Кристаллогеометрические особенности перлита доэвтектоидной стали. // ФММ. – 1976. – Т.42, вып.5. – C. 965-970. 18. Исайчев И. В. Ориентация цементита в отпущенной углеродистой стали. // Журнал технической физики. – 1947, – т. 17. – C. 835-838.
19. Багаряцкий С.А. Вероятный механизм распада мартенсита. // Докл. АН СССР. – 1950, – Т.73. №6. – С. 1161-1164.
20. Pitsch W. Der Orientirungszusammenhang zwischen Zementit und Ferrit im Pearlit. // Acta Met. – 1962, – Vol. 10. – Р. 79-80 (errata, “Acta Met.”, – 1962, – Vol. 10, – P. 906).