Автор: Frolova L.A.
Категории:
materials science
In article the research results of terms of formation of iron oxide black from pickle liquor are presented. Interrelation between phase composition of precipitate and basic technological parameters of the process: temperature, speed of air delivery, рН is considered.
Keywords: pickling liquor, black pigment, magnetite, precipitation, goethite.
UDK 678.5
Production conditions of iron oxide black from pickle liquors
Frolova L.A.
Ph.D. in Eng. Sc.
Ukrainian State University of Chemical Technology
At the present time one of the most modern and processable means of iron oxide black production is hydrophase method [1]. Nanodisperse magnetite, obtained under the technology of deposition, is successfully used in many industries as a pigment and reinforcing filler in paint-and-varnish industry and industrial-rubber manufacturing, in polymer compounds [2]. At the same time there exist certain problems during manufacturing of necessary black iron-oxide pigment with predefined properties. Obtaining of specified phase composition, which determines pigment colour and its magnetic characteristics are referred to them. An important problem is also utilization of pickling liquor.
Pickle liquor and rinse waters, formed during steel pickling on the metallurgical and machine building plants are practically not used and not processed. Concentrated wastes contain 100÷300 g/l of iron salts and may be used for synthesis of iron colors [3-5].
General part
Control of manufacturing process of hydroxides and iron oxides with defined granulometric and phase composition is rather important as the properties of end products: pigments, magnitocarriers, catalytic agents, depend on these factors [6-8]. That is why in this work the influence of various technology factors on phase composition of obtained iron powders with the aim to determine the conditions for obtaining of iron oxide black are considered. Phase and dispersive composition of oxide iron compounds, obtained by air oxidation of iron salt solutions (II) or iron hydroxide sludge (II) depend on a lot of factors: value of рн iron salt solution (II) or sludge Fe(OH)2, temperatures of reaction medium, velocity of agent supply, which acts as oxidizing reactor, its activity and distribution efficiency in reaction medium, iron ions concentration (II) in the solution or iron hydroxide (II) in the sludge.
Experimental
The following conditions were adopted for research: concentration of FeSO4 – 0.25-0.5 mol/l, concentration of NaOH – 0.5-1.5 mol/l, temperature – 25-40 0С. The air was used as oxidizing agent. Its effective rate of supply for all the experiments was 10 min-1. As iron oxidation (II) is followed by reduction of pH value, the research was fulfilled in pH-static and pH-dynamic regimes. In the first case acid content of the medium was permanently maintained, adding alkali, in the second case only initial value of pH was set.
Technology of obtaining included the stage of deposition of iron hydroxide (II), its oxidation till oxide and oxihydroxide iron compounds, filtration, washing and drying of powder. The influence of the rate of air supply, temperature and acid content of the medium on the oxidation process was investigated. Phase composition of powders was determined on the diffractometer DRON-2.
The researches show that phase composition of the obtained product to a great degree depends on the pH composition. With the increase of pH from 6 to 12 and at the similar synthesis parameters there is the following sequence of phase formation: g - FeOOH - a - FeOOH - Fe3O4 .
Fe3O4 is formed with further increase of pH solution. The influence of pH solution in pH-static regime are presented in the figure 1,3, pH-dynamic – in the figure 2. Analysis of dependences testifies that in pH- static and pH-dynamic regimes the conditions of obtaining of magnetite are similar to: рН=9-12, t=20-60 0С.
To find out regularities of changing of phase composition of obtained oxide iron compounds at temperature changes and rate of air supply, the researches at рн = 9, temperature interval 20-60 0С and rate of air supply 4-12 min-1were fulfilled.
Process end was determined according to the information of changing of oxidation-reduction potential of the system and time of oxidation till achieving potential of constant value.
a - FeOOH и Fe3O4
Figure 1. Dependence of phase composition of the obtained residual in the system FeSO4 - NaOH - H2O - O2, on the temperature and pH solution in pH-static regime :1 - Fe3O4 , 2 - a - FeOOH , 3 - a - FeOOH + Fe3O4 , 4 - g - FeOOH

Figure 2. Dependence of phase composition of residual obtained in the system FeSO4 - NaOH - H2O - O2 on the temperature and pH solution in pH – dynamic regime: 1 - Fe3O4; 2 - a - FeOOH

Figure 3. Dependence of phase composition of obtained residual in the system Fe(OH)2 - H2O - O2 on the temperature and rate of air supply in pH-static regime (рН=9)
It has been found out that the end product of oxidation of iron hydroxide (II) depending on the parameters of synthesis may be iron oxyhydroxide (III) of a -modification, mixed iron oxide (II) and (III) or binary mixture.
According to the data of dependences of phase composition of products, being formed during oxidation of iron hydroxide (II), on the parameters of synthesis, there was built system diagram (fig. 3), where in the temperature coordinates - rate of air supply areas of dominant formations each of the phases are reflected.
The diagram reflects the influence of temperature and rate of air supply on the phase composition of oxide iron compounds.
As far as the prime product is magnetite, optimal conditions are the temperature 40-50 0С and effective rate of air supply 4-6 min-1.
Microphotography of the obtained magnetite powder is presented in the figure 4. As one may see from the figure, average particle size of magnetite is 0.1-1 mkm.

Figure 4. Microphotography of magnetite
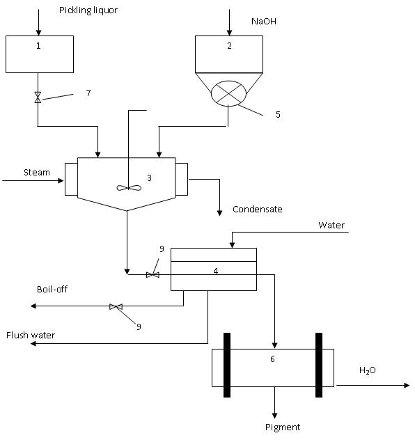
Principal technological scheme of installation for manufacturing of iron oxide black is shown in the figure 5.
Concentration of ferric sulphate in the pickling liquor is predetermined and necessary amount of ferric sulphate or water are doped. Total concentration of FeSO4 in solution should be within the limits 100-120 g/l. Caustic liquor is prepared in separate aggregate, where the necessary volume of desolt artesian water is added, the temperature 22°С is kept and the alkali to the concentration (60 g/l) is added. Ready solution is poured into the collecting box and then pumped into the daily batchbox.
Considering the duration of the process of black pigment manufacturing, for increase in productivity there provided the usage of large-capacity reaction vessels (18-25 m3), which provides also averaging of the properties of formed magnetite. The vessel is supplied with barbator for air feed, mixing machine or steam heating.
Addition of alcali liquor is stopped when not precipitated ferric sulphate is absent and рН of the medium 9-10 is achieved. After this the suspension is soaked in the reaction cell within 1 hour and is pumped into collectors. From collectors the suspension with the help of impeller pump goes to the automatic chamber filter press, where filtration, washing from ions SO2-4, extraction, drying and unloading are performed. After filtration the pigment in the form of paste with moisture content50±5% is fed into cylinder drier (turbine-flange for example) with the help of band conveyer. The drier consists of annular circular flanges, fixed on the stands and rotating around central axis. The flanges are divided into separate sectors. Dryable pigment enters through the feed track on all the sectors of upper flange and remains in them within one rotation.
In such a way drying occurs in the thin layer with continuous surface-renewall of evaporation area. To exclude overwork of the powder on the stages of drying – dehydration-recovery, the drum of the dryer is fitted with narrowed at the ends noses made of refractory steel, meant for equilibrium distribution of gas flows of nitrogen and deentrainment of powder, there are also doors, which are fixed with the help of loops.
Dryer drum is installed with the help of telpher into heated furnace chamber in such a way that the drum bandages were located on the live rollers, connecting branches of nitrogen supply are hooked up with corresponding door, and then the furnace door is closed. Rotating mechanism and heating of the furnace is turned on. Relay switch, which controls the heating of the machine, is installed on the standard conditions.

Figure 5. Process scheme of pilot-plant equipment for manufacturing of iron oxide black: 1,2 - supply tank of pickling liquor, NaOH; 3 – reaction cell; 4 - press filter; 5 – batchbox; 6 - cylinder drier; 7,8,9 - shutoff cock.
Conclusions
As can be seen from the above, in result of undertaken studies, it was stated that phase composition of oxide iron compounds, obtained by air oxidation of salt solutions of iron (II), depends on the value of pH, concentration used for deposition of alkali, temperature of reaction medium, agent rate of supply, which acts as oxidizing reactor, its activity and distribution efficiency in the reaction medium, concentration of iron ions (II) in solution.
References
- K.Przepiera , A.Przepiera. kinetics of thermal transformations of precipitated magnetite and goethite. (2001) J. Therm. Anal. and Colorim. 65. No2. P. 497-503.
- V.S.Zaitsev , D.S.Filimonov , I.A.Presnyakov , R. I.Ganibino , B.I. Chu Physical and chemical properties of magnetite-polymer nanoparticles and their colloidal dispersions (1999). Colloid and Interface Sci. 212. No1.p. 49-57.
- A.K.Zapol'skiy , N.A. Mishikova-Kdimenko, І.M. Astrelin, M.T. Brik, P.І. Gvozdyak, T.V. Knyaz'kova. Fіziko-khіmіchnі osnovi tekhnologії ochishchennya stіchnikh vod (Physics and chemistry of clarification of waste water technology). Kiev, Lіbra. 2000, 552p.
- Proskuryakov, S.A., Shmidt L.I. Ochistka stochnykh vod v khimicheskoy promyshlennosti [Clarification of waste water in chemical industry]. Lviv, Khimiya, 1977. P. 464.
- Kul'skiy, L.A., Strokach, P.P. Tekhnologiya ochistki stochnykh i prirodnykh vod (Technology of clarification of waste and natural water). Kiev, Vishcha shkola, 1986. 352 p.
- Epikhin, A.N., Krylova, A.V. Manufacturing of iron-oxide mineral colours from hard iron-bearing wastes. (2003). Zhurnal prikladnoy khimii. No 1(76), p.p.23-27.
- Shabanova N.A., Popov V.V., Sarkisov P.D. Khimiya i tekhnologiya nanodispersnykh oksidov: ucheb. Posobie (Chemistry and technology of nanodispersed oxides). Moscow, IKTs «Akademkniga», 2006. 309 p.
- Kleshchev D.G., Sheykman A.I., Pletnev R.N. Vliyanie sredy na fazovye i khimicheskie prevrashcheniya v dispersnykh sistemakh. (Environmental effect on the phase and chemical transformations in disperse systems). Sverdlovsk, 1990. 248p.